| These parets are Dingshun parts and are not manufactured by the original Equipment manufacturer. | |||||
| Original Equipment Manufacturers names,part numbers and descirptions are quoted for reference purposes only. |
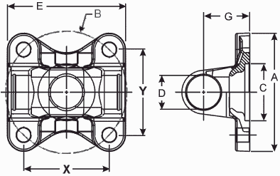
| 1310 Flange Yokes | ||||||
| Part# | Neapco®Part# | Dana® Part# | PILOT | BOLT CIRCLE | (G )Length | Holes |
| DS.2-2-780 | N2-2-780 | 1.811 / 46mm | 66x66 sq | 1.562 | 4*11mm | |
| DS.2-2-1757 | N2-2-1757 | 104mm | 91mm | 54.5mm | 6 | |
| DS.2-2-939 | N2-2-939 | 2.375 | 3.125 | 1.375 | ||
| DS.2-2-1379 | N2-2-1379 | 2.00" F | 4.250" Sq | 1.625" | 4 | |
| DS.2-2-899-1 | N2-2-899-1 | 2.250" M | 2.75 | 1.625 | 4 | |
| DS.2-2-329 | N2-2-329 | 2.375 | 3.125 | 1.375 | ||
| DS.2-2-1949 | 2-2-1949 | 2.558 | 3.750 Square1.781 | 4 @ 12mm | ||
| DS.2-2-479 | N2-2-479 | 2.750" | 3.750" Rectangle | 1.375 | 4 | |
| DS.2-2-349 | N2-2-349 | 3.625" F | 2.875" | 1.3750" | 4 | |
| DS.2-2-799 | N2-2-799 | 46mm | 85mm Rectangle | 1.625 | ||
| DS.2-2-799-1 | N2-2-799-1 | 46mm | 85mm sq | |||

1.What do you offer?
Packaging
1) Inner packaging: pp bag, bubble bag, plastic wrap etc.
2) Outer packaging: carton,wooden case, pallet etc.
3) As your requirement.
Shipping
1) Less than 50kg, you could choose express, such as DHL, UPS, FedEx, TNT and EMS. (door to door, so convenient)
2) From 50kg to 200kg, you could choose to send by air. (fast and safe, but expensive)
3) More than 200kg, you may consider to send by sea. (cheap, but long transit time)
4) We can also deliver as client’s requirement.
5) Nearest Port: Shenzhen Port
6) We will choose the cheapest and safest way to ship the goods to you.
| 1310 Tube Yoke | |||||||
| Part# | Neapco®Part# | Dana® Part# | Tube size | (H) Length | Joint Angle | U-joint kits | |
| DS.2-26-347 | 2-26-347 | 1.250x.120 | 2.125 | 30.0 | 5-153X,5-1310X,5-1310X-1 | ||
| DS.2-28-447 | 2-28-447 | 1.750x.065 | 1.688 | 22.0 | 5-153X,5-1310X,5-1310X-1 | ||
| DS.2-28-417 | N2-28-417 | 2-28-417 | 2.00x.065 | 1.688 | 22.0 | 5-153X,5-1310X,5-1310X-1 | |
| DS.2-28-357 | N2-28-357 | 2-28-357 | 2.00x.083 | 1.688 | 22.0 | 5-153X,5-1310X,5-1310X-1 | |
| DS.2-28-1757 | 2-28-1757 | 2.00x.120 | 1.688 | 22.0 | 5-153X,5-1310X,5-1310X-1 | ||
| DS.2-28-277 | N2-28-277 | 2-28-277 | 2.50x.065 | 1.844 | 22.0 | 5-153X,5-1310X,5-1310X-1 | |
| DS.2-28-367 | N2-28-367 | 2-28-367 | 2.50x.083 | 1.844 | 21.5 | 5-153X,5-1310X,5-1310X-1 | |
| DS.2-28-307 | N2-28-307 | 2-28-307 | 2.75x.065 | 1.688 | 21.5 | 5-153X,5-1310X,5-1310X-1 | |
| DS.2-28-1617 | N2-28-1617 | 2-28-1617 | 2.75x.083 | 1.688 | 22.0 | 5-153X,5-1310X,5-1310X-1 | |
| DS.2-28-437 | N2-28-327 | 2-28-437 | 3.00x.065 | 1.688 | 21.5 | 5-153X,5-1310X,5-1310X-1 | |
| DS.2-28-557 | 2-28-557 | 3.25x.065 | 1.688 | 5-153X,5-1310X,5-1310X-1 | |||
| DS.2-28-397 | N2-28-397 | 2-28-397 | 3.25x.065 | 1.688 | 21.0 | 5-153X,5-1310X,5-1310X-1 | |
| DS.2-28-427 | N2-28-427 | 2-28-427 | 3.50x.083 | 1.688 | 21.5 | 5-153X,5-1310X,5-1310X-1 | |
| DS.2-28-021 | N2-28-021 | 4.00x.065 | 1.5 | 21.5 | 5-153X,5-1310X,5-1310X-1 | ||
| DS.2-28-477 | N2-28-477 | 2-28-477 | 4.00x.083 | 1.5 | 21.5 | 5-153X,5-1310X,5-1310X-1 | |
| 1310 Series Ball Stud Yokes | |||||||
| Part# | Neapco®Part# | Dana® Part# | Tube size | (J)Length | (K)Length | U-joint kits | |
| DS.2-28-2807X | N2-28-2807X | 1.250 X .120 | 1.64 | 1.440 | 5-153X,5-1310X,5-1310X-1 | ||
| DS.2-28-2827X | N2-28-2827X | 1.750 X .095 | 1.64 | 1.440 | 5-153X,5-1310X,5-1310X-1 | ||
| DS.2-28-2867X | N2-28-2867X | 2.000 X .120 | 1.64 | 1.440 | 5-153X,5-1310X,5-1310X-1 | ||
| DS.2-28-3087X | N2-28-3087X | 2.500 X .065 | 1.64 | 1.440 | 5-153X,5-1310X,5-1310X-1 | ||
| DS.2-28-2887X | N2-28-2887X | 2.500 X .083 | 1.64 | 1.440 | 5-153X,5-1310X,5-1310X-1 | ||
| DS.2-28-2747X | N2-28-2747X | 2.750 X .065 | 1.64 | 1.440 | 5-153X,5-1310X,5-1310X-1 | ||
| DS.2-28-2907X | N2-28-2907X | 3.000 X .065 | 1.64 | 1.440 | 5-153X,5-1310X,5-1310X-1 | ||
| DS.2-28-2927X | N2-28-2927X | 3.000 X .083 | 1.64 | 1.440 | 5-153X,5-1310X,5-1310X-1 | ||
| DS.2-28-2947X | N2-28-2947X | 2-28-2947X | 2.000 X .120 | 1.641 | 1.440 | 5-153X,5-1310X,5-1310X-1 | |
| DS.2-28-2957X | N2-28-2957X | 2.500 X .083 | 1.641 | 1.438 | 5-153X,5-1310X,5-1310X-1 | ||
| DS.2-28-2967X | N2-28-2967X | 3.000 X .065 | 1.641 | 1.438 | 5-153X,5-1310X,5-1310X-1 | ||
| DS.2-28-2977X | N2-28-2977X | 3.000 X .083 | 1.641 | 1.438 | 5-153X,5-1310X,5-1310X-1 | ||
| DS.2-28-3257X | N2-28-3257X | 2.000 X .120 | 1.66 | 1.380 | 5-153X,5-1310X,5-1310X-1 | ||
| DS.2-28-3817X | N2-28-3817X | 2.750 X .083 | 1.641 | 1.438 | 5-153X,5-1310X,5-1310X-1 | ||
| 1310 Series Center Yokes | |||||||
| Part# | Neapco®Part# | Dana® Part# | (C)Length | Swing Diameter | E | U-joint kits | |
| DS.2-26-367 | N2-26-367 | 2-26-367 | 2.688 | 3.875 | 3.469 | 5-153X,5-1310X,5-1310X-1 | |
| DS.2-26-497 | 2-26-497 | 2.688 | 3.875 | 3.469 | 5-153X,5-1310X,5-1310X-1 | ||
| DS.2-26-477 | N2-26-477 | 2.688 | 3.875 | 3.469 | 5-153X,5-1310X,5-1310X-1 | ||
| DS.2-26-177 | 2-26-177 | 2.750 | 3.875 | 3.469 | 5-153X,5-1310X,5-1310X-1 | ||
| DS.2-26-257 | 2-26-257 | 3.000 | 3.875 | 3.469 | 5-153X,5-1310X,5-1310X-1 | ||
| 1310 Flange Yokes | |||||||
| Part# | Neapco®Part# | Dana® Part# | PILOT | BOLT CIRCLE | (G )Length | Holes | |
| DS.2-2-780 | N2-2-780 | 1.811 / 46mm | 66x66 sq | 1.562 | 4*11mm | ||
| DS.2-2-1757 | N2-2-1757 | 104mm | 91mm | 54.5mm | 6 | ||
| DS.2-2-939 | N2-2-939 | 2.375 | 3.125 | 1.375 | |||
| DS.2-2-1379 | N2-2-1379 | 2.00" F | 4.250" Sq | 1.625" | 4 | ||
| DS.2-2-899-1 | N2-2-899-1 | 2.250" M | 2.75 | 1.625 | 4 | ||
| DS.2-2-329 | N2-2-329 | 2.375 | 3.125 | 1.375 | |||
| DS.2-2-1949 | 2-2-1949 | 2.558 | 3.750 Square1.781 | 4 @ 12mm | |||
| DS.2-2-479 | N2-2-479 | 2.750" | 3.750" Rectangle | 1.375 | 4 | ||
| DS.2-2-349 | N2-2-349 | 3.625" F | 2.875" | 1.3750" | 4 | ||
| DS.2-2-799 | N2-2-799 | 46mm | 85mm Rectangle | 1.625 | |||
| DS.2-2-799-1 | N2-2-799-1 | 46mm | 85mm sq | ||||
| 1310 CV Flange Yokes | |||||||
| Part# | Neapco®Part# | Dana® Part# | PILOT | BOLT CIRCLE | (G )Length | Bolt Size | Bolt Pattern |
| DS2-83-288-1X | N2-83-288-1X | 1.811 / 46mm | 4.38 | 1.62 | 8mm | 60x68.5 | |
| DS2-83-288-2X | N2-83-288-2X | 1.811 / 46mm | 4.38 | 1.62 | 10mm | 64x56 | |
| DS2-83-288-3X | N2-83-288-3X | 1.811 / 46mm | 85 | 1.62 | 10mm | 60x60 | |
| DS2-83-288-4X | N2-83-288-4X | 1.811 / 46mm | 4.38 | 1.62 | 11mm | 66x66 | |
| DS2-83-599X | N2-83-599X | 2.000 | 3 | 1.625 | |||
| DS2-83-388X | N2-83-388X | 2.00" F | 3.50" Square | 1.625 | |||
| DS2-83-543X | N2-83-543X | 2.00" F | 3.50" Square | ||||
| DS2-83-206X | N2-83-206X | 3.937 / 100mm | 3.386 / 86mm | 74mm | 8 mm x 6 | even | |
| DS2-83-288X | N2-83-288X | 4.094M / 104mm | 3.583 / 91mm | 1.062 | 8mm | 6 hole | |
| 1310 Slip Yoke | |||||||
| Part# | Neapco®Part# | Dana® Part# | SPLINES | Angle | (J)Length | U-joint kits | Application |
| DS.2-3-3951KX | 2-3-3951KX | 16 | 16 | 3.562 | 5-153X,5-1310X,5-1310X-1 | ||
| DS.2-3-1421KX | 2-3-1421KX | 16 | 16 | 5.000 | 5-153X,5-1310X,5-1310X-1 | ||
| DS.2-3-4441KX | N2-3-4441KX | 2-3-4441KX | 16 | 30 | 6.562 | 5-153X,5-1310X,5-1310X-1 | |
| DS.2-3-348KX | 2-3-348KX | 16 | 15 | 4.188 | 5-153X,5-1310X,5-1310X-1 | ||
| DS.2-3-128KX | N2-3-128KX | 2-3-128KX | 16 | 15 | 5.375 | 5-153X,5-1310X,5-1310X-1 | |
| DS.2-3-4951KX | N2-3-4951KX | 16 | 20 | 6.000 | 5-153X,5-1310X,5-1310X-1 | ||
| DS.2-3-7981KX | N2-3-7981KX | 2-3-7981KX | 16 | 20 | 6.000 | 5-153X,5-1310X,5-1310X-1 | |
| DS.2-3-8021KX | N2-3-8021KX | 2-3-8021KX | 16 | 30 | 7.875 | 5-153X,5-1310X,5-1310X-1 | |
| DS.2-3-6071KX | N2-3-6071KX | 16 | 8.090 | 5-153X,5-1310X,5-1310X-1 | |||
| DS.2-3-6061KX | N2-3-6061KX | 2-3-6061KX | 16 | 6.875 | 5-153X,5-1310X,5-1310X-1 | ||
|
1310 Transmission Slip Yokes
|
|||||||
| Part# | Neapco®Part# | Dana® Part# | Spline Major Diameter | SPLINES | (R) Seal | (J )Length | U-joint kits |
| 1.005 | 28 | 1.499 | 6.000 | 5-153X,5-1310X,5-1310X-1 | |||
| 28 | 1.499 | 6.500 | 5-153X,5-1310X,5-1310X-1 | ||||
| 31 | 1.886 | 7.000 | 5-153X,5-1310X,5-1310X-1 | ||||
| 2-3-13461X | 22 / 24 | 1.375 | 6.040 | 5-153X,5-1310X,5-1310X-1 | |||
| 2-3-9701X | 1.104 | 20 / 21 | 1.500 | 6.000 | 5-153X,5-1310X,5-1310X-1 | ||
| 2-3-8431X | 1.113 | 24 /25 | 1.375 | 6.500 | 5-153X,5-1310X,5-1310X-1 | ||
| 2-3-8891X | 1.113 | 24 /25 | 1.375 | 8.250 | 5-153X,5-1310X,5-1310X-1 | ||
| 2-3-11731X | 1.123 | 24 /26 | 1.495 | 6.040 | 5-153X,5-1310X,5-1310X-1 | ||
| 2-3-1331X | 1.172 | 16 | 1.500 | 4.875 | 5-153X,5-1310X,5-1310X-1 | ||
| N2-3-6081X | 1.176 | 26 /27 | 1.500 | 5.469 | 5-153X,5-1310X,5-1310X-1 | ||
| 2-3-4911X | 1.176 | 26 /27 | 1.500 | 4.875 | 5-153X,5-1310X,5-1310X-1 | ||
| 2-3-9211X | 1.176 | 26 /27 | 1.500 | 4.891 | 5-153X,5-1310X,5-1310X-1 | ||
| 2-3-6081X | 1.176 | 26 /27 | 1.500 | 5.469 | 5-153X,5-1310X,5-1310X-1 | ||
| 2-3-12411X | 1.176 | 26 /27 | 1.500 | 5.750 | 5-153X,5-1310X,5-1310X-1 | ||
| 2-3-11071X | 1.176 | 26 /27 | 1.500 | 6.417 | 5-153X,5-1310X,5-1310X-1 | ||
| 2-3-14871X | 1.176 | 26 /27 | 1.500 | 7.620 | 5-153X,5-1310X,5-1310X-1 | ||
| 2-3-15321X | 1.176 | 26 /27 | 1.500 | 5.750 | 5-153X,5-1310X,5-1310X-1 | ||
| 1.176 | 26 /27 | 1.500 | 5.812 | 5-153X,5-1310X,5-1310X-1 | |||
| N2-3-1293 | 1.181 | 22 | 1.621 | 6.560 | 5-153X,5-1310X,5-1310X-1 | ||
| 1.2 | 23 | 1.575 | 6.125 | 5-153X,5-1310X,5-1310X-1 | |||
| 2-3-11721X | 1.201 | 23 | 1.578 | 5.750 | 5-153X,5-1310X,5-1310X-1 | ||
| 2-3-8251X | 1.220 | 27 /28 | 1.500 | 6.500 | 5-153X,5-1310X,5-1310X-1 | ||
| 2-3-4871X | 1.220 | 28 | 1.500 | 6.000 | 5-153X,5-1310X,5-1310X-1 | ||
| 1.220 | 28 | 1.500 | 7.750 | 5-153X,5-1310X,5-1310X-1 | |||
| N2-3-1267X | 1.220 | 27 / 28 | 1.50 / 1.60 | 7.000 | 5-153X,5-1310X,5-1310X-1 | ||
| 2-3-10131X | 1.284 | 28 /30 | 1.656 | 7.422 | 5-153X,5-1310X,5-1310X-1 | ||
| 2-3-14791X | 1.284 | 29 /30 | 1.681 | 6.750 | 5-153X,5-1310X,5-1310X-1 | ||
| N2-3-3575X | 1.312 | 29 /30 | 1.680 | 8.060 | 5-153X,5-1310X,5-1310X-1 | ||
| 2-3-5281X | 1.378 | 31 /32 | 1.680 | 5.188 | 5-153X,5-1310X,5-1310X-1 | ||
| 2-3-10431X | 1.378 | 31 /32 | 1.886 | 5.188 | 5-153X,5-1310X,5-1310X-1 | ||
| N2-3-9131X | 1.378 | 31 /32 | 1.875 | 8.000 | 5-153X,5-1310X,5-1310X-1 | ||
| N2-3-9101X | 1.378 | 31 /32 | 1.875 | 8.060 | 5-153X,5-1310X,5-1310X-1 | ||
| 2-3-9811X | 1.403 | 21 | 2.000 | 4.130 | 5-153X,5-1310X,5-1310X-1 | ||
| 2-3-9761X | 1.564 | 24 | 2.000 | 4.125 | |||
| 1310 Series End Yokes | |||||||
| Part# | Neapco®Part# | Dana® Part# | Spline Major Diameter | SPLINES | (s )Length | (Q) Bore |
(R) Seal
|
| DS2-4-3331 | N2-4-3331 | 2-4-3331 | 0.875 | 13 | |||
| DS2-4-4921 | 2-4-4921 | 1 | 15 | 1.255 | |||
| DS2-4-2851X | 2-4-2851X |
1.125
|
10 | 3.000 | 1.500 | 1.562 | |
| DS2-4-4061X | N2-4-4061X | 2-4-4061X |
1.125
|
10 | 3.000 | 1.500 | 1.562 |
| DS2-4-4341 | N2-4-4341 | 2-4-4341 | 1.146 | 26 | 3.000 | 1.500 | 1.55 |
| DS2-4-3741-1 | 2-4-3741-1 | 1.229 | 28 | 1.375 | 1.844 | ||
| DS2-4-1087 | N2-4-1087 | 1.25 | 19 | 2.500 | 1.455 | 2 | |
| DS2-4-1741 | 2-4-1741 | 1.25 | 14 | 2.625 | 1.500 | ||
| DS2-4-6341 | 2-4-6341 | 1.275 | 19.000 | ||||
| DS2-4-3801X | N2-4-3801X | 2-4-3801X | 1.276 | 29 | 2.940 | 1.500 | 1.875 |
| DS2-4-2401-1 | 2-4-2401-1 | 1.375 | 10 | 3.438 | 2.000 | 2.125 | |
| DS2-4-4191 | N2-4-4191 | 2-4-4191 | 1.401 | 32 | 3.440 | 2.000 | 2.125 |
| DS2-4-5341 | N2-4-5341 | 2-4-5341 | 1.401 | 32 | 3.880 | 2.000 | 1.875 |
| DS2-4-JK01 | N2-4-JK01 | 1.401 | 32 | 3.440 | 2.000 | 1.94 | |
| DS2-4-JK03 | N2-4-JK03 | 1.401 | 32 | 3.840 | 2.000 | 1.94 | |
| DS2-4-2671-1 | 2-4-2671-1 | 1.375 | 10 | 1.750 | 3.219 | ||
| DS2-4-1921 | 2-4-1921 | 1.72 | |||||
| DS2-4-5341 | N2-4-5341 | 1.401 | 32 | 3.880 | 2.000 | 1.875 | |
| DS2-4-2671-1 | 2-4-2671-1 | 1.375 | 10 | 1.750 | 3.219 | ||
Hangzhou Ding Shun mechanical Co., Ltd.
Tel:086-571-83581166
Fax:086-571-82519588
E-mail:info@cntison.com
Add:Linpu Town, XiaoShan , HangZhou, ZheJiang
Web:www.cntison.com
浙ICP备11017104号 COPYRIGHT© CNTISON.COM.ALL RIGHTS RESERVED